会员服务
  首页 | 最新采购 | 现货热卖 | IC库存 | 非IC库存 | 应用资料&程序库 | 交流区 | 供应商 | 生产商 | 技术资料
应用资料:  
您现在的位置:首页 >  技术资料   上载库存  

光电控制电路

  在光电自动控制电路中,可以选用光敏电阻器做为光电传感元件。能否将光敏电阻器直接接入图1控制开关S的位置呢?通常光敏电阻器,例如MG45有光照射时的亮阻2~10kΩ,远大于偏置电阻器R的电阻值,显然不能产生维持VT饱和导通所需强度的基极电流。因此,需要先用一支三极管进行电流放大,再驱动开关三极管工作。
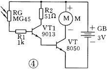
  光电自动控制电路 见图4。VT1和VT2接成类似复合管电路形式,VT1的发射极电流也是VT2的基极电流,R2既是VT1的负载电阻器又是VT2的基极限流电阻器。因此,当VT1基极输入微弱的电流(0.1mA),可以控制末级VT2较强电流——驱动电动机运转电流(500mA)的变化。VT1选用小功率NPN型硅管9013,hfe≈200。同前计算方法,维持两管同时饱和导通时VT1基极偏置电阻器R1约为3.3kΩ,减去光敏电阻器RG亮阻2kΩ,限流电阻器R1实取1kΩ。光敏传感器也可以采用光敏二极管,使用时要注意极性,光敏二极管的负极接供电电源正极。光敏二极管对控制光线有方向性选择,且灵敏度较高,也不会产生强光照射后的疲劳现象。




关于我们 | 会员服务 | 广告服务 | 支付方式 | 联系我们 | 友情链接

会员服务热线:

深圳矽通科技版权所有 © Copyright 2005-2007, ic-cn.com.cn All Right Reserved.  粤ICP备07006430号
深  圳13410210660             QQ : 317143513   点击这里与电子元件采购网联系
客服联系: MSN:CaiZH01@hotmail.com       E-mail:info@ic-cn.com.cn